• <sub id="atym3"><ol id="atym3"></ol></sub>

    About Us

    Product

    Applications

    Quality

    News

    Recruit

    Application Area

    LED plant lighting

    Application description

    The emergence of plant lights has freed traditional crops from seasonal and spatial limitations, especially for some special economic crops. The rapid development of plant lighting has promoted the cross-border integration of "lighting+agriculture" and formed a huge emerging market.

    LED plant lights have the following advantages:
    1. Energy saving: LED plant growth lights save up to 50-70% more energy than other plant lights. In addition, the intensity of the light will not decrease over time.
    2. Low carbon and zero heat emissions: LED plant growth lights generate the least amount of heat. Compared to HPS or HID lamps, they emit a large amount of heat and burn plant leaves. LED lights provide sufficient photosynthetic brightness for plants while also reducing the emission of other harmful particles.
    3. Durability and lifespan: If used properly, LED lights can last for 3 to 4 years or more, which is why traditional plant lights are now being replaced by LED lights. They do not contain chemicals such as mercury and are not harmful to plant growth.
    4. Low maintenance: LED plant lights are easy to install and can work efficiently without any maintenance issues.
    5. Plant quality: Using traditional plant growth lamps, if the temperature is not properly managed, plants may be burned and dried. They also emit harmful ultraviolet rays to plants, but using LED plant growth lights does not produce ultraviolet rays, which can protect plants and allow them to grow according to their growth cycle.

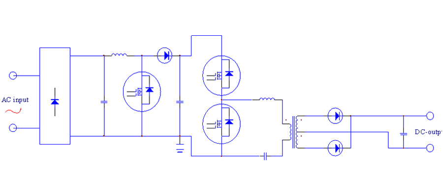
    Classic application topology diagram

    Recommended application selection

    SJ MOSFET

    • Model
    • VDS(V)
    • Rdson Max(mΩ)
    • Encapsulation
    • HXMH60M105PHXMH60M99EPHXMH60M70EPHXMH60M75PHXMH65M180EFHXMH65M280EFHXMH65M280EDHXMH65M380EFHXMH65M380ED
    • 600600600600650650650650650
    • 105997075180280280380380
    • TO-247ABTO-247ABTO-247ABTO-247ABITO-220ABITO-220ABTO-263-2LITO-220ABTO-263-2L

    FRD DIODES

    • Model
    • VRRM(V)
    • IF(A)
    • Trr(ns)
    • VF(V)
    • Encapsulation
    • SF8H12ASF15H12ASF3006SF2006SF2008SF2008CS
    • 12001200600600800800
    • 81530202020
    • 404035353535
    • 3.33.31.71.62.52.5
    • TO-220AC-ATO-220AC-ATO-220ABTO-220ABTO-220ABTO-252-2L

    SKY DIODES

    • Model
    • VRRM(V)
    • IF(A)
    • VF(V)
    • Encapsulation
    • MBR20150CTMBR20H200CTMBR30150CTMBR30200CTMBR30150CDMBR30200CD
    • 150200150200150200
    • 202030303030
    • 0.90.90.90.90.90.9
    • TO-220ABTO-220ABTO-220ABTO-220ABTO-263-2LTO-263-2L

    SIC DIODES

    • Model
    • VRRM(V)
    • IF(A)
    • VF(V)
    • Encapsulation
    • ECR665AECR865AECR1065AECR1565AECR2065AECR5120AECR8120AECR10120AECR15120A
    • 6506506506506501200120012001200
    • 68101520581015
    • 1.51.51.51.551.51.81.81.81.8
    • TO-220AC-ATO-220AC-ATO-220AC-ATO-220AC-ATO-220AC-ATO-220AC-ATO-220AC-ATO-220AC-ATO-220AC-A

    • <sub id="atym3"><ol id="atym3"></ol></sub>

      国内自拍视频网址 | 欧美大逼 | 亚洲最大色网 | 《禁止的爱浴室吃奶无删》 | 麻豆传媒一区二区 | 免费无遮挡 视频网站用片海 | 黄色操逼视频网 | 国产女主播喷水视频在线观看 | 学生妹靠逼| 特级一级A片免费播放么么的 |